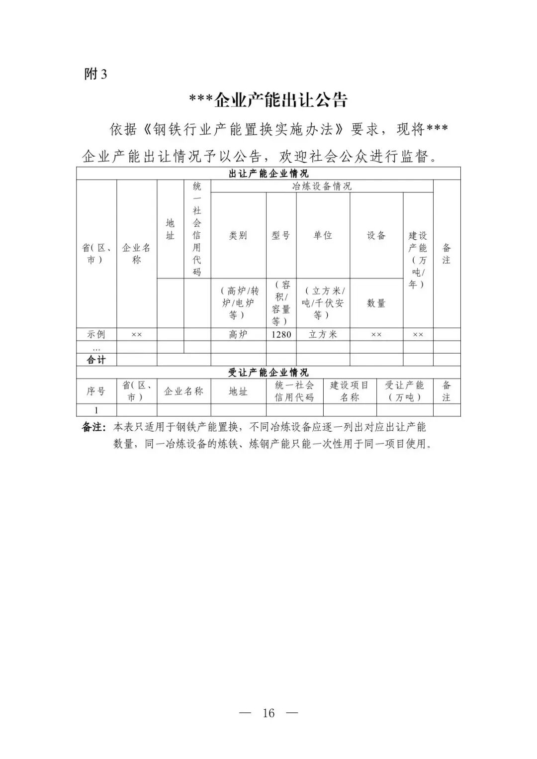
工信部网站10月24日消息,工业和信息化部对《钢铁行业产能置换实施办法》进行了修订,研究形成了《钢铁行业产能置换实施办法(征求意见稿)》,现公开征求意见。
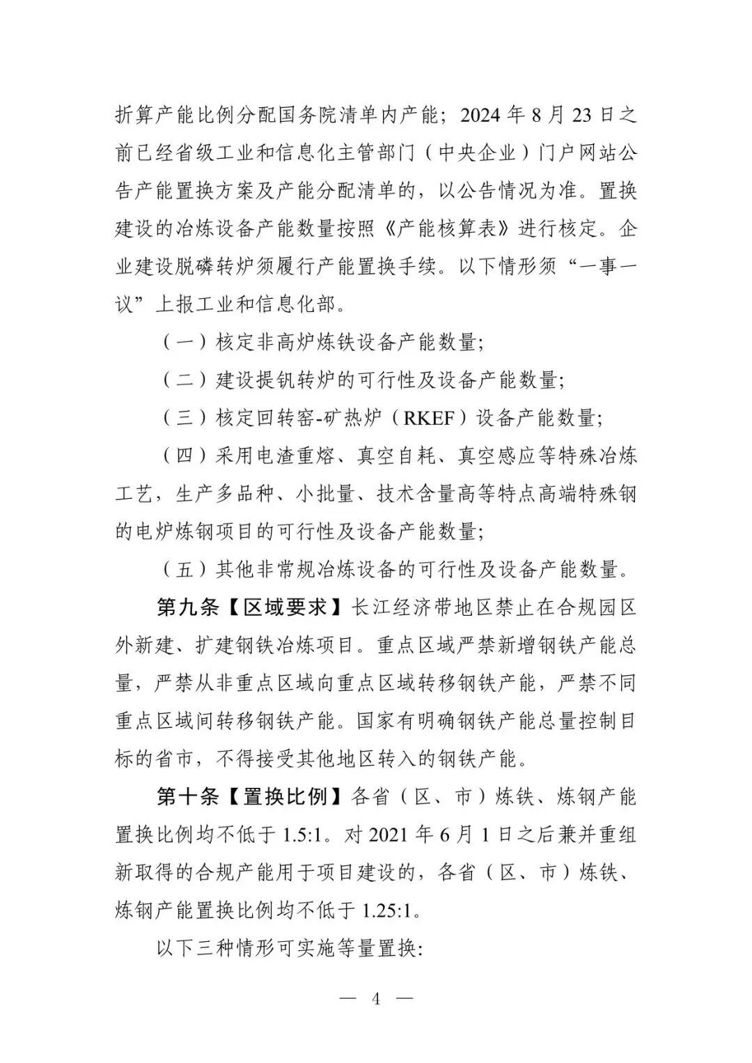
以下六类产能不得用于置换: (一)列入钢铁去产能任务的产能、享受奖补资金支持的退出产能; (二)在省级工业和信息化主管部门公告产能置换方案前冶炼设备未实际建成投产的产能; (三)《产业结构调整指导目录》规定的淘汰类落后生产设备产能; (四)自本办法实施之后,企业全部炼铁、炼钢设备连续2年每年运转天数不足90天的产能; (五)铸造、锻压、铁合金等非钢铁行业冶炼设备产能; (六)提钒转炉、二次精炼炉、感应炉等辅助生产设备产能,未履行产能置换手续或未列入国务院清单的脱磷转炉、氩氧脱碳炉(AOD)产能。 全文如下——

